(一)预尖和鸡心夹具
**和鸡心夹具常配套使用,其用途极为广泛,是磨削轴类工件时*简易、且精度较高的一种装夹工件的工具。其中硬质合金**寿命高,适用于装夹硬度高(淬火锯类)的工件.**和鸡心夹具在车床上也常用,但平面磨床用的**比一般车床用的精度要高。
(二)心轴
心轴常用于外圆磨床和万能
平面磨床上磨削以孔或孔与端面作定位基准的套筒类、盘类工件的外圜及端面,以保持工件外圆与内孔的同轴度和与端筒的垂直度要求。心轴的中心孔要研磨,并在其锥面上开三条互成1200的油槽。
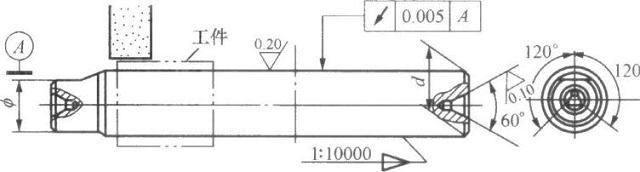
1.锥度心轴
锥度心轴如图2所示。锥度心轴的锥度一般可取100mm长度内0.01--0.03mm,根据被磨工件的精度需要而确定。心轴外圆与工件内孔之间的配合程度,以能克服磨削力为准,不宜过紧而使工件变形。由于工件孔有一定公差范围,一般需要1根到3根,甚至5根为一组,供选配使用。心轴外圆对中心孔的跳动公差一般为0.005~0.01mm,应根据工件的精度而定。这种心轴一般用于单件和小批量生产。

图2锥度心轴
对于较大批量的生产,则需对工件孔的实际尺寸测量后进行分组,分批加工,以保证工件在心轴上的位置相对平面磨床砂轮处在一个稳定的范围内,而不至予左右窜动过大,超出已调整好的工作台行程。
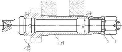
对于某些较长的工件可以采用一端有锥度,另一端为圆柱的心轴,如图3所示。在加工时,可视实际需要添加一个(任意一端)或两个辅助的工艺衬套,村套有带肩或不带肩两种,工件内孔压人工艺衬套后与心轴配合。
带锥度一靖的衬套可做成可胀式的,以使其与锥度配合良好,并依靠其胀力来带动工件转动。

图3磨较长工件的锥度心轴
2.带肩心轴
带肩心轴如图4所示。工件上孔径d1≥d:,它的*大跳动公差为0.005mm,对K面的垂直度公差为0.005mm。

1-六角螺母;2-专用垫圈
图4带肩心轴
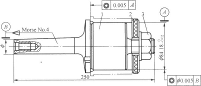
3.莫氏锥柄悬伸心轴
(1)带肩莫氏锥柄悬伸心轴。如图5所示为
平面磨床带肩莫氏锥柄悬伸心轴,工件与心轴一般成无间隙的配合。单件生产时,可配磨心轴直径,批量生产时,则按尺寸分组,可制成三根心轴供选用,莫氏锥柄的大小可根据工件大小和平面磨床而定,需要时可加莫氏锥度过渡套筒。

图5带肩莫氏锥柄悬伸心轴(2)带肩复合心轴。如图6所示为带肩复合心轴。这种心轴当用大螺母1压紧工件时,可磨削工件的端面[见图6(b)],改用六角螺母2压紧工件时,可磨削工件的外圆

图6带肩复合心轴(a)带腐复合心轴;(b)用大螺母1压譬工件;(c)用六角螺母2压紧工件